9012
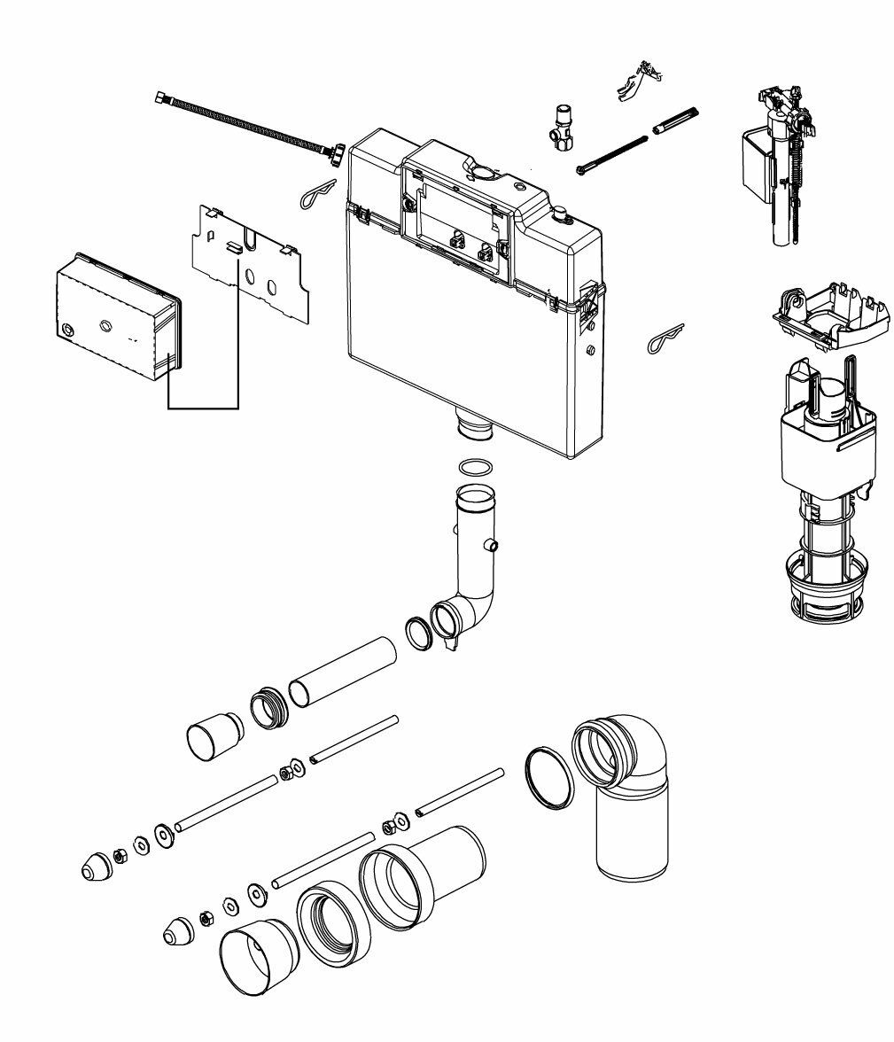
Pe schiță, puteți găsi cele mai frecvent căutate piese de schimb pentru rezervorul încastrat prezentat mai jos. În cazul în care piesa pe care o căutați nu este disponibilă, vă rugăm să ne contactați și vom încerca să vă ajutăm.

13 Produse găsite













